Boiler Versus Thermal Blocks
- 2 Feb 2017
Different Types of Boilers Used in Home Coffee Machines
Inside home coffee machines you will find one of three different types of boilers: a single boiler, heat exchange boiler or twin boilers. The boiler is an important focus because it can affect the consistency of your espresso shot-to-shot, as well as being a determining factor in the machines heat up phase and recovery time.
Single Boilers
Single boilers are great for espresso drinkers, as they don’t need to steam milk. They only require one boiler to heat at one temperature. This is a great option for espresso drinkers: they can achieve an excellent result with a smaller price range, without sacrificing temperature stability.
There are multi-function single boiler options, which have the capability to heat up to a level that can produce steam and espresso temperature level water. This is generally controlled by a switch or series of switches.
Check out these Single Boiler Coffee Machines: ECM Casa V Stainless Steel

Heat Exchanger
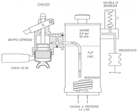
The heat exchanger is located in the main section of the boiler and has a separate tube heat exchanger that runs through the middle of the main boiler. The water in the heat exchange tube is heated by the water from the main boiler and is used for the espresso. The water used for the espresso is generally a combination of hot and cold water to reach the correct temperature. The water in the main boiler runs much hotter than needed for espresso and is used to generate the steam.
Check out these Heat Exchanger Coffee Machines: ECM Barista, ECM Mechanika Slim V, Rocket Appartamento, Rocket Giotto Evo R & Type V and Rocket Mozzafiato Evo R & Type V.

Twin Boilers
As the name would suggest, a twin boiler has two boilers: one to create the steam and one to generate the hot water for espresso. Depending on the model of the machine, the water for general hot water (i.e. water used for tea or long blacks) can be generated from either of those boilers.
Chekc out these Twin/Dual Boiler Coffee Machines: ECM Synchronika, Rocket R58, La Marzocco GS3 and Slayer Espresso 1 Group.

This is the basic functionality of different boiler configurations, which can be made with different metals as well, including copper or stainless steel. This information is important to know, as some manufacturers or retailers will try to mislead you. For example, they might say they have boilers in their coffee machines, when they actually have thermal blocks. In saying that, it’s also important to know how these machines work and feel secure knowing you’re getting value for money. So what’s the difference? And why does it matter if you have thermal blocks instead of boilers?
Thermal Blocks
Thermal blocks, also known as thermo blocks, are essentially a block of metal with a small passage or torrent that allows water to pass through. This block is heated using an embedded heating element, which heats the block to a suitable coffee temperature as the water is passing through. The water should have reached the desired temperature by the time it exits the thermal block. If steam is required, it will heat to the desired temperature to turn the water to vapour. Thermo blocks are generally found in automatic coffee machines and small department store brands.

Thermo blocks come in a wide variety of shapes, sizes and quality, and the steam/water output that they can supply varies greatly. The type of material that they’re manufactured from can vary the amount of output, the longevity of the unit and the likelihood of it developing scale blockages. For example, brass thermal blocks are less likely to develop scale than aluminium blocks, but they don’t have anywhere near the same level of heat retention. Therefore the aluminium blocks have much better output for steam and brass is better suited for just coffee.

Benefits of quality thermal block coffee machines include:
- -Quality consistent dry steam
- -Consistent water temperature
- -Energy Saving
- -Fast heat up
- -Can be cheaper due to their inexpensive and compact nature
What you need to remember when buying a thermoblock coffee machine:
- -Due to narrow paths, these can quickly get blocked with scale or other foreign matter, so staying on top of cleaning is important.
- -Some models can cool off and lose quality when producing large quantities of milk or multiple cups. This can produce wet steam, which is undesirable, and it will then need time to recover. (This is not all that different to traditional boiler machines if you take a lot of hot water from them, as the introduction of cold water to refill diminishes the heat and therefore the steam and water temperature).
- -Potentially shorter life span than traditional boilers if not cared for properly.
LOOKING TO BUY A COFFEE MACHINE
If you are looking to buy a coffee machine for home, go to cremagarage.com.au/shop/home-coffee-machines.html and check out our full range of home espresso machines. You can also talk check out “6 Questions To Ask When Buying A Home Coffee Machine”. If you still have questions or would like to schedule a demo, please contact our office at [email protected] or call uson (02) 4969 7422.
